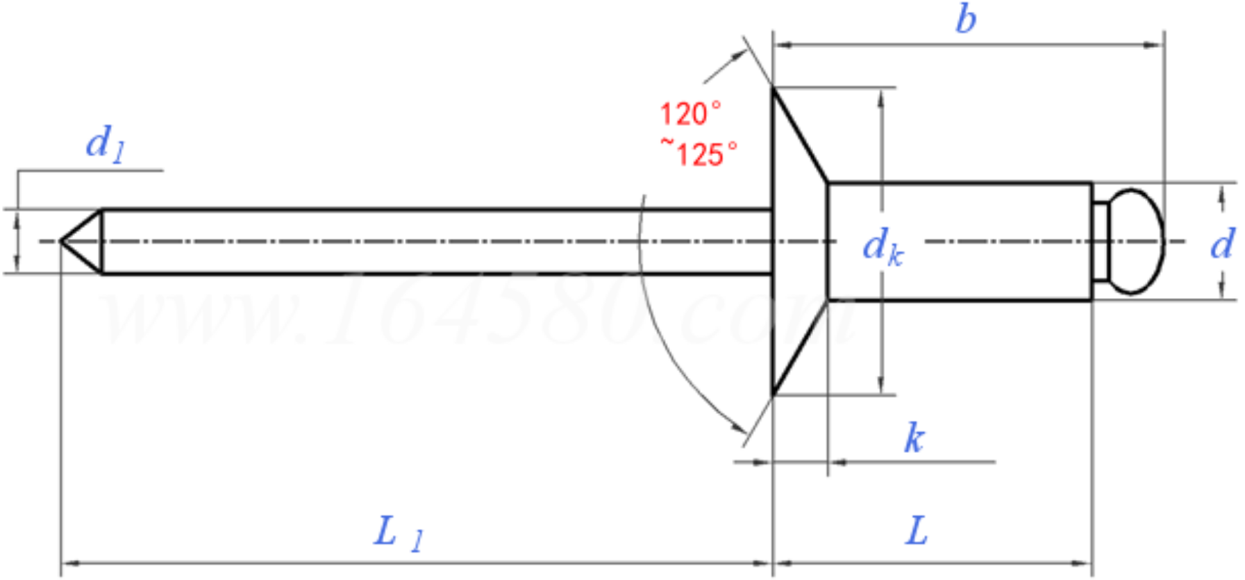
產品名(ming)稱:沉頭鋁抽芯拉(la)釘(ding)
常用尺寸:2.4/3.2/4.0 /4.8/6.4
材質:鋁,鐵,不銹鋼
表面處理:鍍鋅,拋光
尺寸可根據客戶要求定制
沉(chen)頭抽(chou)芯鉚釘是一(yi)種高強(qiang)度(du)鉚接連接緊固(gu)件,實現單面(mian)鉚接功能,有高強度、高光潔度、鉚接(jie)面光亮持(chi)久、沒有銹蝕(shi)點(dian)、鉚接(jie)面穩(wen)定(ding)、可靠、鉚接(jie)表面是平面等特點(dian)。


全國服務熱線


